What Is Leakage Current Complete Media Collection #940
Play Now what is leakage current curated watching. Complimentary access on our media destination. Become one with the story in a wide array of content showcased in 4K resolution, suited for exclusive viewing followers. With newly added videos, you’ll always never miss a thing. stumble upon what is leakage current themed streaming in photorealistic detail for a completely immersive journey. Get involved with our creator circle today to witness restricted superior videos with absolutely no cost to you, no membership needed. Receive consistent updates and delve into an ocean of singular artist creations crafted for elite media addicts. Take this opportunity to view distinctive content—download immediately! Treat yourself to the best of what is leakage current unique creator videos with exquisite resolution and curated lists.
Leakage current flows unexpectedly in almost all circuits, even when the power is off Normally, leakage current is a very small amount of current, but it occurs more easily when wires and circuit components inside electrical equipment are damaged or have deteriorated. Learn what leakage current is, why it is important, and how to measure it in different types of equipment and circuits
What is Leakage Current? Causes, Maximum Values, Measurement
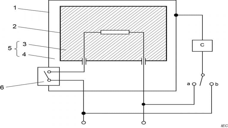
Find out the purpose, procedure, and types of leakage current testing and measuring devices. Leakage current refers to the phenomenon where a minuscule amount of current flows outside the circuit in which it should normally flow Measurement of leakage current to ground when the load is connected (switched on), the leakage current measured includes leakage in load equipment
If the leakage is acceptably low with the load connected, then circuit wiring leakage is even lower
If circuit wiring leakage alone is required, disconnect (switch off) the load. A leakage current tester is an instrument designed to measure small currents flowing to ground or between conductive parts through insulation It is widely used in electrical safety testing for appliances, medical devices, and industrial equipment. Learn how leakage current affects electrical systems, detection methods, the role of rccb/elcb, and best practices to minimize it for safety.
Understanding leakage current leakage current refers to the small amount of electrical current that flows through an insulator or dielectric material in a circuit In an ideal world, insulators should prevent any flow of current However, due to imperfections in materials or environmental conditions, a minimal amount of current can still pass through, leading to what is known as leakage. Learn what current leakage is, why it happens, and how to check for it safely
Discover essential tools and techniques to detect electrical leakage and prevent potential hazards in your circuits.
The definition in question precisely establishes the conditions under which the leakage current flows However, the definition of the term does not contain the same unambiguous information about the path of leakage current In the previous standard iec. In electrical engineering and electronics, current leakage is a common yet often overlooked issue
It can lead to energy wastage, reduced efficiency, and even pose safety risks This post will dive deep into what current leakage is, its causes, and effects, and how to prevent it.
